Página 23 de 31
Re: Monitorização consumo em casa
Enviado: 19 fev 2019, 22:39
por CrAzYDrIveR
olá, desculpem chegou o noob e tenho umas duvidas que algumas serão para o Sr Apr
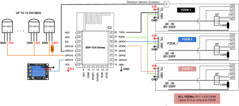
O ESP pode ser alimentado pelo PZEM através da porta TTL?
(tipo este
https://zftlab.org/pages/2015101400.html e
https://github.com/arendst/Sonoff-Tasmota/issues/3694)
No caso do enode trifásico a mesma pergunta alem da duvida se todos os 3.3v estao ligados entre si ou cada um com alimentação separada? (pelo que vejo o rx e tx são optoisolados)

- 3fn.png (121.24 KiB) Visto 10300 vezes
e para acabar o que acham de usar o sonoff basic em vez de wemos ou nodemcu(link de cima), do PZEM-016 e dos sdm630 / sdm120?
Cumprimentos
Re: Monitorização consumo em casa
Enviado: 19 fev 2019, 23:54
por Apr
O Novo PZEM RS485 continua com o mesmo problema do antigo... nao lê direção de corrente. O antigo sabemos como hackear o novo não por isso não tem valor acrescentado nenhum. O que tem muito valor é o Eastron SDM220, modbus, import/export, leituras completas em poucos ms e com 1 leitura por segundo... mas é muito mais caro.
Eu nunca consegui alimentar tudo apenas com a fonte do PZEM, logo tenho que usar uma fonte separada para o ESP8266.
No trifasico os 3v3 estão ligados entre si.
Re: Monitorização consumo em casa
Enviado: 20 fev 2019, 01:48
por CrAzYDrIveR
sim é pena o valor dos SDM
vou entao pensar no que mandar vir para avançar com o brinquedo
obrigado
Re: Monitorização consumo em casa
Enviado: 11 mar 2019, 18:18
por noway
Estamos a falar deste SDM, com um preço até jeitoso ?
https://www.aliexpress.com/item/SDM220- ... 7aa7ddc9f2
Se calhar estão a falar na versão trifásica...
Re: Monitorização consumo em casa
Enviado: 11 mar 2019, 18:53
por Apr
pzem é 6-10€ o SDM220 são 30€, é no minimo 3x mais caro. Eu tinha grande fé neles, até cheguei a ter um prototipo a funcionar onde colocava o esp8266 dentro propria caixa do SDM220, para expandir era só comprar mais e ligar os 2 fios do RS485 e tava feito.
Re: Monitorização consumo em casa
Enviado: 12 mar 2019, 10:06
por noway
Epá... Isso é uma boa ideia... colocar o esp8266 dentro do SDM230 ! O QE ficava "limpinho". Mas para isso é preciso alimentar o esp8266 com a fonte de alimentação do SDM230... chegaste a tentar fazer isso? É a mesma tensão ou tenho de converter para 3.3V?
Esta seria a minha lista inicial:
SDM230:
https://www.aliexpress.com/item/SDM220- ... 7aa7ddc9f2
ESP8266:
https://www.aliexpress.com/item/D1-mini ... 66553baca6
Re: Monitorização consumo em casa
Enviado: 18 mar 2019, 23:00
por Apr
noway Escreveu: 12 mar 2019, 10:06
Epá... Isso é uma boa ideia... colocar o esp8266 dentro do SDM230 ! O QE ficava "limpinho". Mas para isso é preciso alimentar o esp8266 com a fonte de alimentação do SDM230... chegaste a tentar fazer isso? É a mesma tensão ou tenho de converter para 3.3V?
Sim, e transformei-o num pisa papeis. Até gostava de tentar outra vez mas a probabilidade de evaporar mais 30€ é bastante alta.
Re: Monitorização consumo em casa
Enviado: 19 mar 2019, 11:07
por noway
Mas explica porque agora é um pisa-papeis? O que aconteceu de errado?
Re: Monitorização consumo em casa
Enviado: 19 mar 2019, 19:55
por Apr
assim que liguei o esp8266 nos 3,3V o ecran do sdm220 passou a piscar e nunca mais foi medidor. troquei os componentes todos da fonte sem resultados. ate tenho componentes para reforçar a alimentacao mas nao me esta a apetecer estragar mais nenhum medidor em experiencias.
Re: Monitorização consumo em casa
Enviado: 21 mar 2019, 02:11
por CrAzYDrIveR
https://wiki.cuvoodoo.info/doku.php?id=spark_abacus
este usou a carcaça do sdm630 por isso nem tudo está perdido